Charging Pile Residual Current Sensors: Introducing HYCA-16
Charging pile residual current sensors, epitomized by HYCA-16, rely on advanced electromagnetic induction. Detecting current variations during leakage, the sensor ensures swift and accurate fault identification.
Features:
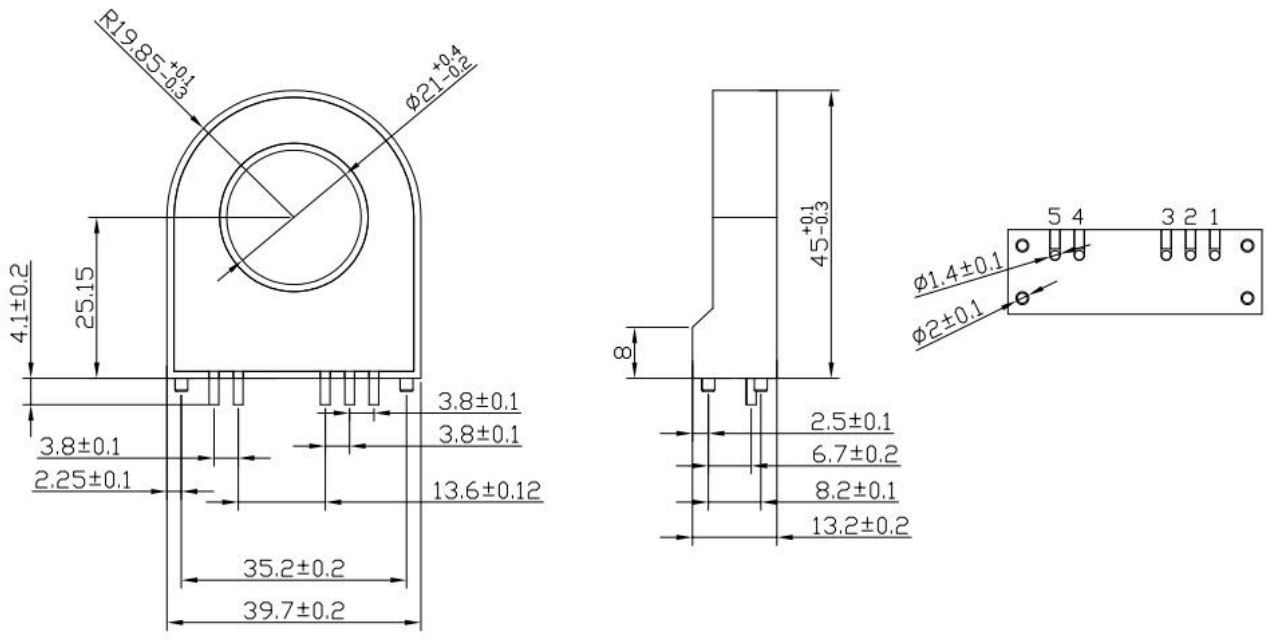
- Aperture and Plug-in Installation: HYCA-16, with a 16mm aperture, facilitates easy installation via a plug-in mechanism, reducing complexity.
- Precision Detection: A highly sensitive electromagnetic sensor ensures real-time detection of faint leakages, enhancing charging station safety.
- Robust Protection: Crafted from high-grade materials, the sensor’s outer casing ensures stability and reliability in diverse environments.
- Customization Options: Tailor the casing’s shape and material to specific requirements, adapting seamlessly to various installations.
- Smart Communication: Supports intelligent communication protocols, facilitating connectivity with charging station control systems for remote monitoring.
- Durability: Constructed with high-quality materials, HYCA-16 maintains outstanding performance, reducing long-term maintenance costs.
Application:
Residual current monitors model HYCA-16 is suitable for various charging scenarios, including but not limited to:
- Commercial Charging Stations
- Residential EV Chargers
- Public Charging Facilities
- Electric Vehicle Charging Stations
Charging pile residual current sensors, exemplified by HYCA-16, mark a transformative step in EV charging safety. Their precision, robustness, and adaptability underscore their role as indispensable guardians of charging infrastructure reliability.



