HYCA type AC DC leakage current sensor
Introduce:
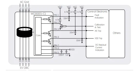
HEYI Electrical company ASCT brand new product HYCA type AC DC leakage current sensor is a Leakage Protection Residual Current sensor specifically developedfor EV-charging providing all-current sensitivity. Charging of electric vehicles ata standard wall socket or a wall box requires protection devices against DC faultcurrents to avoid electric shock. Installed type A residual current circuit-breakers(RCCBs) are unable to identify and deactivate DC fault currents.
Features:
- Small volume and footprint for integration into compact IC-CPD.
- Avoids hazardous situations with DC fault currents.
- Protects RCCB type A from saturation.
- Saves costly type B RCCD.
Volume optimized. - AC/DC-current sensitivity at low cost.
- Protects RCCB type A from saturation.
- Self-monitoring and test functions.
- Robust mechanical design suitable for IC-CP.
Technology:
- ault current detection according to IEC 62752 or UL 2231.
- Frequency range DC up to 2 KHz.
- Load current up to 80 Arms (1-phase) or 3 x 32 Arms (3-phase).
- Switching output for 6 mA DC and 30 mA AC (acc. to IEC 62752)
- Integrated self-monitoring and test functions.
- Measurement resolution of 0.2 mA.
- Variants with pass through opening or with integrated primary conductors.
- Differential current range 0~300 mA.
- Robust mechanical design suitable for IC-CPD environmental requirements (e.q. drop test)
- Widely usable in harsh electronic environment (e.g, resistant to external maanetic fields)
- The sensor can trigger an automatic shut-off in case ofhazardous electrical faults (DC and AC) according to lEC 62752 or UL2231.
Standard:
- HYCA type AC DC leakage current sensor Meet IEC 62752 mode II charging-related residual current test requirements.
- HYCA type AC DC leakage current sensor Meet IEC 62955 mode three charging RDC-PD related residual current test requirements.
- HYCA type AC DC leakage current sensor Meet the basic requirements of GB/T 22794 based on the adaptation of DC 6mA test requirements


