Introduce:
This product is the improvement the original old product LZJ of (C,D)-10 on the basis of the closure of the entire product design,to overcome the surface to climb away from the S-class small can not do the shortcoming of old product ,this product can be completely replaced LZJ(C and D)-Model 10.
The products are widely used HXGN1-10 box -type AC Metal-enclosed ring net cabinet.HK-10D ring network switchgear HGKC-10 ring network off the cabinet.
Mainfeatures:
- This type of transformer core and a secondary winding is all sealed in epoxy resin cast body.
- Qualifying mark time of P1,P2,and the second 1S1,1S2measuring coil,2S1,2S2 for the protection of level coil.
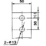
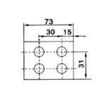
- Casting beneath the four mounting holes for mounting.






